Bir çoğunu daha önceki projede kullandığımız devre elemanları ile bir proje: “Sequencer”. Ayarlanabilir frekanslarda (notalarda) üretilen dalganın belirli bir düzen içerisinde tekrarı ile oluşan devre. Genellikle elektronik müzik yapan arkadaşlar kullanıyor. ama yapımı çok zor değil ve müzikle ilgisi olan herkesin hoşlanabileceği basit eğlencelik bir devre. Burada basitlerinden bir tanesini anlamaya çalışacağız, 8 farklı nota ile bir devre yapacağız. Basit olduğundan mı bilmem ama buna “baby sequencer” ismi verilmiş.
Bir çok yöntem ile bu iş yapılabiliyor. Ama hepsinde önce bir oilatör devresi ile başlıyor sistem. Osilatör periyodik dalga üretiyor. Bunu transistörle, NE555 kullanarak ya da burada olduğu gibi bir Shmitt trigger değil kullanarak yapabiliyoruz. Ama en basit yöntem Schmitt trigger ile yapılan:

Sadece bir direnç ve bir kondansatör ile kare dalga üretebiliyoruz. Bunu daha önce görmüştük zaten. Kondansatörün direnç üzerinden dolma/boşalma ile schmitt triggerin tetiklenip 1 veya 0 çıkış vermesi sağlanıyor. Üretilen kare dalganın frekansını da direnç ve kondansatörün değeri belirliyor. Projede kullandığımız CD40106 entegresinin içinde 6 adet ‘schmitt trigger değil kapısı’ var.

Bunlardan birini 1uF kondansatör ve 100k potansiyometre kullanarak bir LED’e bağlayıp LED’in yanıp sönme hızını ayarlayabiliyoruz. Bu çok düşük bir frekans ve insan kulağının duyabildiği ses aralığı 20Hz – 20kHz olduğu için buradan ses duymamız mümkün değil. Ama bu çıkışı daha sonraki bir devrenin saat (clock) girişi olarak kullanacağız. Bizim asıl kullanacağımız osilatör bu değil.

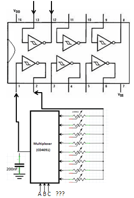
Şimdi soldaki entegrenin 1 ve 2 nolu bacakları arasındaki kapıyı kullanacağız. Burada 1 nolu bacak ile gnd arasına 200nF bir kondansatör ekleyip 8 tane ayarlı direncin(100k) birer ucunu da 2 nolu bacağa bağlayacağız. Ve bir şekilde CD40106’nın 1 nolu bacağı bu 8 ayarlı direncin uçlarını sıra ile tarayacak. Bunu halletmek için de yine daha önce gördüğümüz CD4051 multiplexer/demultiplexer kullanacağız. Aşağıdaki şekilde bağlantıyı sağlayabiliriz. Şimdiki sorunumuz CD4051 A, B, C girişleri sayesinde bu taramayı yapıyor. Biz daha önceki projemizde bunu Arduino ile sağlıyorduk. Burada ise mecburen biz ikili sayıcı (binary counter) kullanmak zorundayız. Elimde 4-bit ikili sayabilen CD4516 vardı onu kullandım.

CD4516 4-bitlik bir sayaç. Benim ise 3 bite ihtiyacım olduğundan Q4 çıkışını hiç kullanmadım. Bu entegrede bu proje için bilmemiz gereken, Vcc ve gnd bacaklarıyla birlikte sayma hızını belirleyen bir saat (clock) girişi bulunuyor. Bu bacağı ilk başta yaptığım osilatörün çıkışına (CD40106’nın 12 nolu bacağına) LED’in olduğu yere bağlıyorum. 4516’nın 10 nolu bacağı sayma işinin yukarı mı aşağı mı olduğunu belirliyor. Bu bacağı +Vcc hattına bağladığınızda 0000’dan(0), 1111’e(15) sayarken, gnd hattına bağladığımızda 1111’den, 0000’a doğru sayıyor. Bu bacak kutulama esnasında bir buton bağlanarak sıralamanın yönü değiştirilebilir. 4516’nın kullanılmayan tüm bacakları gnd hattına bağlanabilir (Q4 hariç).
| Q2 | Q1 | Q0 |
| 0 | 0 | 0 |
| 0 | 0 | 1 |
| 0 | 1 | 0 |
| 0 | 1 | 1 |
| 1 | 0 | 0 |
| 1 | 0 | 1 |
| 1 | 1 | 0 |
| 1 | 1 | 1 |
Şu aşamada baştaki osilatör ile hızını ve sıralamasını değiştirebildiğimiz sequencer elde ettik. Ama bu arkadaşların yapısında o an hangi potansiyometreye bağlı ses olduğunu anlayabilmek için her potansiyometre bir LED ile çalışıyor. Bu da mantıklı. Bunun için başka bir multiplexer’e daha ihtiyaç duyuldu. Ancak her iki multiplexer’ın da aynı fazda çalışabilmesi için ikincinin A, B, C bacakları birincinin aynı bacaklarına bağlandı. Bu multiplexer’ın ortak girişi (com in) + Vcc hattına 8 paralel çıkış (channels)da LED’lerin anoduna bağlandı. Ve tüm LED’lerin katodu birer koruma direnci ile gnd hattına çekildi.

Bu şekilde tamamalanan devrede 40106’nın 2 numaralı bacağına bağlanan hoparlörden maalesef ses çıkmadı! Bunun nedeni hoparlörün akım çekmesi, 40106’nın ise bu akımı sağlayamaması idi. Mantıksal bir entegre için normal. bu sorunu ortadan kaldırabilmek için işlemsel yükselteçler çalışmasında öğrendiğimiz bir tampon (buffer) eklendi. Tampon devreleri zaten bu işe yarıyor. Girişten akım çekmeden aynı sinyali akım çekilebilir hale getirip çıkıştan veriyorlar. Ucuz bir LM358 entegresi ile bu sağlandı ve hoparlörden ses alınabildi. Devreyi yaparken aklıma gelmedi ama kutulama esnasında bu işlemsel yükselteç üzerinden biraz daha kazanç sağlayıp sesi yükseltebilirm diye düşünüyorum. Olmazsa basit bir amfi ekleyeceğim. Bir de sinyal’in sesini biraz yumuşatmak için bir direnç(47k) ve bir kondansatör(10pF)’den oluşan bir filtre (low pass filter) tampondan önce devreye eklendi. Bunun faydası çıkışta işittiğimiz kare dalganın köşelerinden kurtulmak ve daha az dijital ses almak.

Her şey bittikten sonra devredeki tüm elemanlarının bağlantısını gösteren şema aşağıdaki gibi oldu. Biraz karışık gibi gelebilir ancak eğlenceli bir devre olduğunu söylemem lazım. Ayrıca eklentilere de açık. Sipariş verdiğim potansiyometreler geldiğinde kutulama yapıp kullanacağım bir proje oldu.
Türkçe kaynak olmasa da bu devreyi farklı şekilde tasarlayan yayınlar da var. Bu videolarda bir çok değişik eklenti, efekt ekleyenler de gördüm. Meraklısına…
Hoşça kalın…
Devre şeması: ( Tüm ayarlı dirençler 100k değerindedir. LED’lere bağlanan 330R dirençler aşağıdaki şemada yoktur. Kullanılan hoparlör 8 Ohm, 0.5 watt değerindedir. CD4516 aşağı (down) sayma modundadır.

CD40106 Datasheet: https://www.ti.com/lit/ds/symlink/cd40106b.pdf?ts=1614510883875&ref_url=https%253A%252F%252Fwww.google.com%252F
CD4516 Datasheet: https://www.ti.com/lit/ds/schs071b/schs071b.pdf?ts=1614534778179&ref_url=https%253A%252F%252Fwww.google.com%252F
CD4051 Datasheet: https://www.ti.com/lit/ds/symlink/cd4052b.pdf?ts=1614535271753&ref_url=https%253A%252F%252Fwww.google.com%252F
LM358 Dtasheet: https://www.ti.com/lit/ds/symlink/lm358-n.pdf?ts=1614491358770&ref_url=https%253A%252F%252Fwww.google.com%252F
Kaynak1: https://www.youtube.com/watch?v=FaoJaLmZaL4&ab_channel=casperelectronicssynthesizers
Kaynak2: https://hackaday.com/2018/05/30/friday-hack-chat-logic-noise/#more-310364
Kaynak3: https://www.youtube.com/watch?v=3tMGNI–ofU&t=782s&ab_channel=MoritzKlein
Kaynak4: https://www.youtube.com/watch?v=DtUCzzjHhgM&t=979s&ab_channel=KristianBl%C3%A5sol
Kaynak5: https://www.youtube.com/watch?v=cLp_9nHhEEw&ab_channel=yurishulgin
