Bu projemizde Çin’de ucuz fiyatlara satılan bir devreyi inceleyeceğiz. Bu devrede PIC16f628 mikrodenetleyicisi kullanılarak bir frekans ölçer yapılmış. Ayrıca girişe bir osilatör devresi de eklenerek kristallerin çalışma frekansı da ölçülebiliyor.
Önce fiyatı ile başlayalım: 3$ civarında. Ama fiyatları iyi araştırmakta fayda var; benim iki ay önce ‘ücretsiz gönderim’ olarak aldığım üründe iki ay sonra 5$ gönderim ücreti bulunmakta. Dediğim gibi pandemi dolayısıyla böyle şeyler çok olmakta dikkat etmek lazım.

8cm x 5 cm büyüklüğünde çift taraflı olarak hazırlanmış kart güzel düzenlenmiş gibi duruyor. Devrede 5 adet 7-segment display kullanılmış, çünkü bu tasarım aslında oldukça eski. Ancak geliştirmek isteyenler için açık devre bulunuyor ve isterseniz başka gösterge eklenebilir. Devre elemanları oldukça az, kurulması kolay. Mikrodenetleyicinin yanında, displayler için dirençler, birkaç kondansatör, birkaç diyot, iki NPN transistör, bir 5v dc-dc dönüştürücü, bir ayarlı kondansatör, bir buton ve dişi header. Devre 5-9 volt dc gerilimle besleniyor olduğundan bir de dişi konnektör lehimlemeniz gerekiyor.
Devreyi incelediğimizde orijinal tasarımın Wolfgang Buescher’in (DL4YHF) koduyla yaptığı bir çalışma. PIC ile ilgili kaynaklara o kadar kolay erişilememesine rağmen bu adam oldukça ayrıntılı açıklama yapmış. Ayrıca devre üzerinde baştan beri yaptığı tüm değişiklikler de açıklanmış. Bu anlamda kendisine teşekkür etmek gerekiyor! Buradan de devreyi Çin’li üreticiler alıp kart halinde satışa sunmuş. Kaynak kodlarını ve devreyi açıklayan ve bununla ilgili tüm geliştirme yapanların linkini açıkça veren Wolfgang (kısaca kendisi “wolf” : “kurt” adıyla anılıyormuş), sayfasının sonuna eklemeyi de unutmamış: “Çin’den alınan devrelerle ilgili sorunlarınıza cevap vermiyorum” diye! Wolf’un devresi aşağıdaki şekilde:

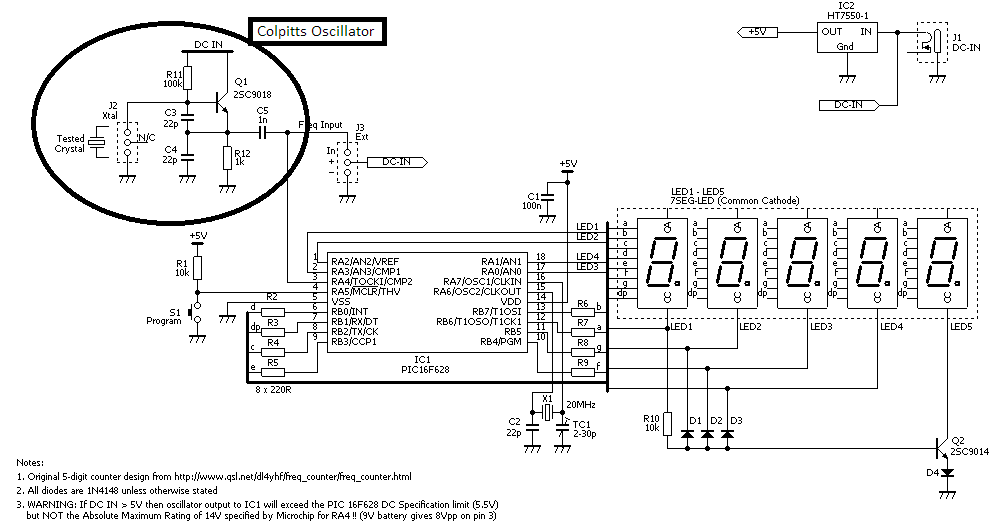
Bu devrede giriş sinyali mikrodenetleyicinin 3 numaralı girişinden yapılmış. Bu giriş schmitt trigger girişi; giriş gerilimi 4 voltun üzerindeyken ‘1’, 1 voltun altında ise ‘0’ kabul eden bir sayıcı aslında. Giriş sinyalinin türünden bağımsız olarak düzenli frekans sayıyor. Wolf daha düşük gerilimli sinyalleri ölçmek için basit bir önyükselteç (preamplificator) devresi de tasarlamış. Ama bizim devrenin girişinde bu yok! İhtiyaç olursa kullanılsın diye! Ama bizim kartta (yukarıdaki resimde sol alt) kristal titreşimini ölçen bir osilatör devresi eklenmiş. Yani bizim karttaki devrenin şeması bir amatör radyo sitesinde derli toplu olarak aşağıda şekilde verilmiş: (https://www.zl2pd.com/xtalchecker.html)

Sol üstte daire içerisindeki bölüm eklenmiş olan kolpit osilatörü. Bu eklenti sayesinde kristallerin titreşim frekansını da bulup, 3 numaralı bacağa frekans ölçümü olarak gönderilebiliyor. Sağ üstte de mikrodenetleyicinin çalışması için giriş gerilimini 5 volta düşüren devre verilmiş. Bu devrede ekran biraz farklı verilmiş. Wolf’un sayfasında anlattığı gibi devre ilk başta dört basamaklı tasarlandığı için giriş sinyali olmadığında en sağdan ikinci basamakta ‘0’ gösteriliyor. Ondalık noktanın yeri ve yanıp sönme durumu da ölçülen frekansa göre değişiyor. Örneğin 0 -10 kHz aralığında ondalık nokta en soldaki ilk basamaktan sonra 1 sn aralıklarlayanıp sönüyor. 10 kHz ile 100 kHZ arasında ikinci basamaktan sonra 1/2 sn aralıklı, 100 kHz ile 1MHz arasında üçüncü basamaktan sonra 1/4 sn aralıklı yanıp sönüyor. MHz aralığında ise ondalık nokta 1-10 MHz aralığında ilk basamaktan sonra, 10-50 MHz aralığında ise ikinci basamaktan sonra yer alıyor ve sürekli yanıyor. Bu arada bu devrenin 1 Hz – 50 MHz arası ölçebildiği söylenmiş. Ama benim ölçümlerimde 40 MHz’e gelmeden (elimdeki kristallerle yaptığım ölçümler) ölçüm bozuluyor. Ama bu aralıkta yeterince doğru (doğruya yakın) değerler ölçüyor. Düşük frekanslarda ölçüm düzeltmek için paketten çıkan bir 22pF kondansatörü eklemek faydalı olur demişler. denedim; ilk başta ölçemediğim 4 MHz kristal freakansını bu kondansatörü ekleyince ölçebildim.

Bunu da sağolsun TheHWCave diye bir arkadaşın YouTube kanalından öğrendim. Bu arkadaşın bir güzelliği daha oldu. Yazılımı güncellemiş ve artık girişte sinyal yokken artık en sağdaki ‘0’ yanıyor. Eğer mikrodenetleyicinie birşey olura orijinal kod ve güncel kod da (hex dosyaları da) bu arkadaşın sayfasında var. Bir de arkadaş girişteki osilatör devresinin şekli Wolf’un preamfisine benziyor diye kart üzerindeki birkaç oynama ile kristal ölçümünü feda edip yerine preamfiyi yerleştirmiş.
Kart üzerindeki ayarlı kondansatör ile sadece kristal ölçümlerinde çok az düzeltme yapabildim, başka ne işe yarıyor bilemiyorum. Ama devre tasarlanırken sadece frekans ölçmek için tasarlanmamış. Başka fonksiyonları da var. Bu fonksiyonlara ulaşmak için program butonuna biraz parmağınızı basılı tutmanız ve programlamayı açmanız gerekiyor. Ne mi bu fonksiyonlar?:
| Quit | Hiçbir şey kaydetmeden çıkıyor. |
| Add | Ekrandaki frekansı okunan değere ekliyor (offset). |
| Sub | Ekrandaki frekansı okunan değerden çıkartıyor. |
| Zero | Eklenen ya da çıkartılan değeri sıfırlıyor (Net ölçüm!) |
| Table | Mikrodenetleyicinin eeprom’una kayıtlı frekansları seçmenize ve oradan Add ya da Sub yapmanıza olanak sağlıyor. |
| PSave | (Power save)PSave ise okunan değer 15 sn değişmezse ekranı kapatıyor. NoPSV ekran sürekli açık kalıyor. |
Çok fazla bilgi sahibi olmadığım PIC mikrodenetleyiciler için kodlama hakkında çok bilgi veremeyeceğim. Ama elimizde hex kodu olduğunda bunu yüklemeyi daha önce incelemiştik. K150 ile bunu nasıl yaptığımızı inceleyebilirsiniz.
Sonuç olarak fiyat performans olarak amatörce ilgilenilebilecek bir devre. Ayrıca şema o kadar net ki geliştirilmeye açık. İsterseniz bu kartı almadan da bulabileceğiniz parçalarla devre oluşturulabilir. Sonuçta PIC 16f628 alabileceğiniz en ucuz mikrodenetleyicilerden biri. Tavsiye ederim.
Başka projelerle öğrenmeye devam…

İlgili linkler.
Wolf: https://www.qsl.net/dl4yhf/freq_counter/freq_counter.html
Tüm devre:
https://www.zl2pd.com/xtalchecker.html
Kod: https://www.youtube.com/watch?v=8rOCmhPWLWw&t=7s&ab_channel=TheHWcave
Kolpit Osilatör: https://www.electronics-tutorials.ws/oscillator/colpitts.html
Ürün:https://tr.aliexpress.com/item/32717789728.html?spm=a2g0s.9042311.0.0.56834c4dRaTb1B
